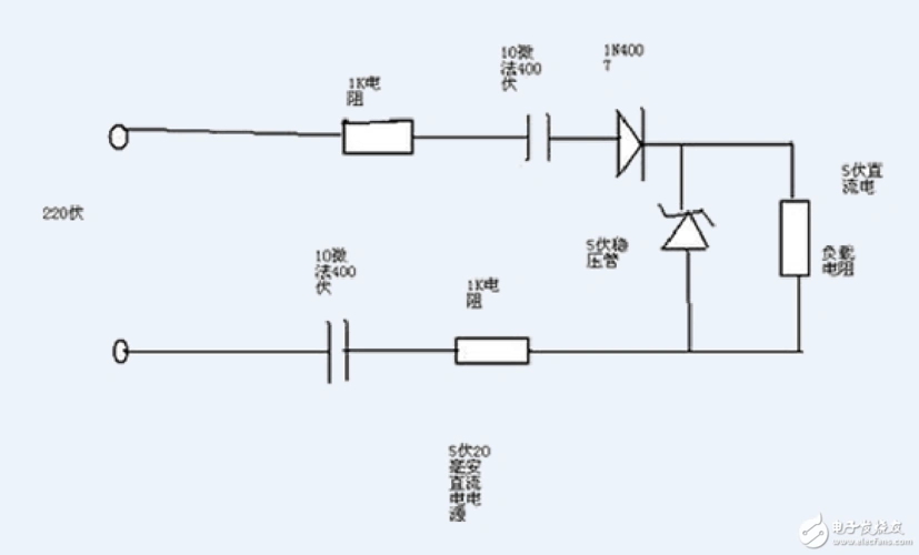
小白入门,制做220v转5v直流电源模块,怎样选择220v到12v变压器
图片链接
缩略图
原图
外链
相关图片
dc24v转dc5v直流电源,求指点 - 电源论坛_电源技术
是我们的市电ac220v电压经过了一个保险丝和压敏电阻送到了整流桥电路
怎么在这个串联电路中得到dc5v电源
求助,ac-dc芯片,220v转5v dc 2a,嵌入到产品中,外围尽量少.
220v转5v开关电源电路500ma可行
在ac220v电路中,当电流超过2.5a时会自动跳闸.低于2.5a时正常通电.
输出电压可调ac-dc转换电路
ob2222芯片输出dc5v的开关电源详细电路图免费下载
在用lm2576将ac220v变dc5v电路中,整流桥负极接哪?
这是最简单的了,一共三只元件,两只电解电容,一块稳压集成电路,对本案
几种常用的非隔离ac-dc电源芯片降压电路,新手必读!
非隔离220v转5v应用方案tt119