非隔离220v转5v应用方案tt119
图片链接
缩略图
原图
外链
相关图片
是我们的市电ac220v电压经过了一个保险丝和压敏电阻送到了整流桥电路
ob2222芯片输出dc5v的开关电源详细电路图免费下载
220v转5v开关电源电路500ma可行
12v稳压电源电路图
小白入门,制做220v转5v直流电源模块,怎样选择220v到12v变压器
交流220v转直流5v什么方案最简单稳定或者dc12v转dc5v
ac220v稳压至dc5v电路
输出电压可调ac-dc转换电路
几种常用的非隔离ac-dc电源芯片降压电路,新手必读!
电路高手进:怎样使220伏交流电转化成5伏直流电
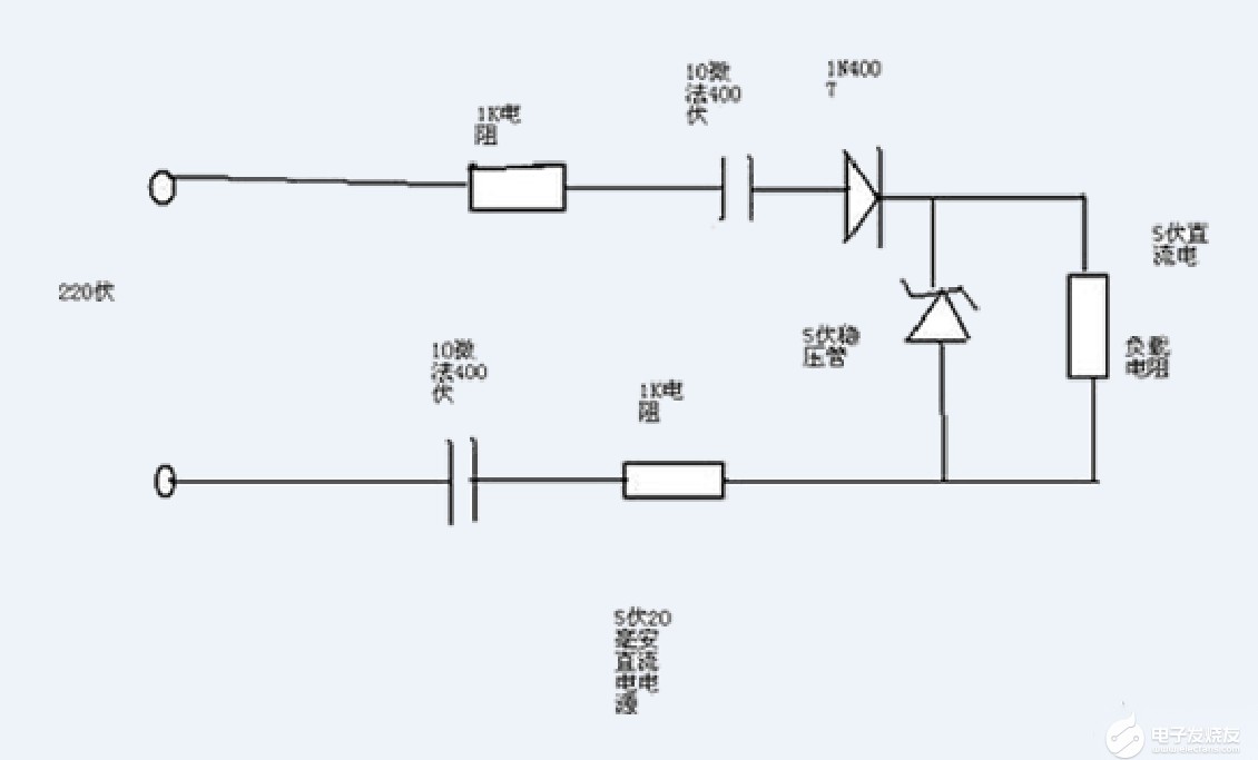
220v转5v电路原理图
在ac220v电路中,当电流超过2.5a时会自动跳闸.低于2.5a时正常通电.