雕花钢化玻璃隔断
透明简约蒲公英雕花艺术玻璃背景墙--网店示范-产品示范
广州嘉颢 制作 3d内雕玻璃激光内雕玻璃 七彩变幻艺术钢化玻璃
现代简约客厅过道深雕艺术玻璃隔断玄关屏风背景墙装饰画艺术玻璃
怎么在玻璃表面进行刻花玻璃浮雕工艺品怎么制作
新品钢化雕花艺术玻璃隔断屏风鞋柜玄关客厅透光双面现代简约玉兰
手工切割面装饰瓶 玻璃雕塑 国产玻璃 手工吹制玻璃饰品 工艺品摆件
艺术玻璃屏风磨砂雕花
艺术玻璃隔断雕花玄关客厅装饰屏风双面磨砂透光工艺钢化牡丹花
艺术玻璃玄关隔断屏风风简雕花无色素雅破损保安艺术玻璃
雕刻钢化玻璃
吴奇隆
疫情下德甲以幽灵赛迎来重启球场内外气氛反常
实力派男星王凯时尚写真:温文尔雅,清新俊朗
蓝头发黑西装动漫男的
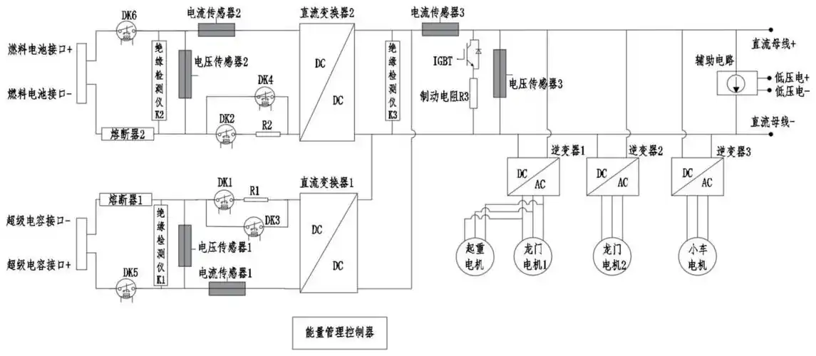
一种燃料电池驱动的龙门吊电路系统及控制方法
青山绿水的自然风景电脑桌面壁纸下载
王祖贤早期罕见泳装写真 | 非常男人manvery
这边也更新一波,是呱唧的新年弹微信表情包
属马图片风水 属马的风水图片-第一算命网
活动策划6 0 约小于1千字 约 28页 2019-11-16 发布 感恩朋友
时隔多年,"唐僧"徐少华首谈"女儿国国王"朱琳,是很好的朋友
周震南经纪人贩卖艺人信息##周震南经纪团队无作为