加载中...
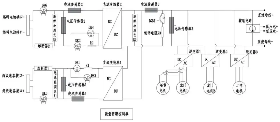
一种燃料电池驱动的龙门吊电路系统及控制方法

一种燃料电池驱动的龙门吊电路系统及控制方法

图片尺寸 1711x747
上传时间 2026-03-17 14:52:01

图片链接

缩略图
原图
外链

相关图片

随机推荐