基于plc的锅炉测控系统毕业设计论文.doc
锅炉燃烧过程控制系统的simulink仿真 (2)解析
锅炉的燃烧控制系统
锅炉安装问题_锅炉维修安装_富尔顿锅炉问题
燃气锅炉低氮改造 燃气锅炉低氮改造
锅炉房运行工艺流程图
锅炉工艺流程图
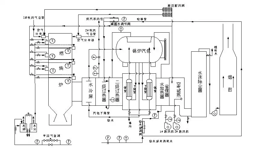
三气锅炉工艺流程图
wns蒸汽锅炉系统流程图
燃煤锅炉脱硫脱硝
锅炉控制系统原理图,框图和流程图.doc 8页
锅炉安全技术监察规程 钢结构制作工艺流程 锅炉控制系统 钢结构焊接
3层改造区域电工安装灯具
竖条星星针花样的编织方法,编织男女毛衣帽子都可以简洁大方
fear of god athletics x adidas basketball fog联名高帮篮球鞋 米白
复习三拍子的歌曲(一年级上下册和二年级上册,全部)
黑白- 堆糖,美图壁纸兴趣社区
3,你这张脸496_702竖版 竖屏
北京建筑海报-北京建筑海报模板-北京建筑海报设计-千库网
江铠同
小猪布鲁喏微信表情小仙女最爱的卡通小猪猪表情
如厕步骤幼儿园卫生间入厕流程厕所示意图男女大小便墙贴
微信头像大全个性霸气头像潮图
女神孟瑶,有颜有料