基于plc的锅炉测控系统毕业设计论文.doc
燃气锅炉低氮改造 燃气锅炉低氮改造
锅炉|最干净的燃煤锅炉
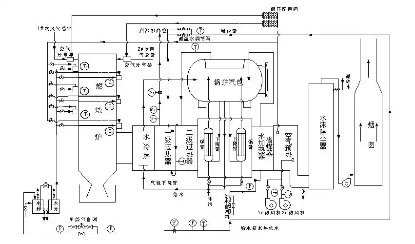
锅炉系统流程图
锅炉控制系统原理图,框图和流程图.doc 8页
燃煤锅炉脱硫脱硝
锅炉工艺流程图
wns蒸汽锅炉系统流程图
锅炉房运行工艺流程图
锅炉安全技术监察规程 钢结构制作工艺流程 锅炉控制系统 钢结构焊接
燃气锅炉工作流程图
锅炉的燃烧控制系统
一台经典收藏sony索尼wm-ex910超薄磁带机随身听播放器金属壳
桔子酒店(北京西直门店)
开局有多嚣张,结局就有多惨#影视解说#撕票风云
型男帅哥彭于晏阿迪达斯运动写真图片桌面壁纸
简谱《月亮代表我的心》
红尾金线灯 - 小型鱼类 - cta南美水族
《半生缘》主演剧照图片桌面壁纸
31岁为富豪老公生下女儿33岁出演杨贵妃走红如今48岁还那么胖
沙土甘草西瓜子400g 菏泽沙土瓜子,吊炉花生,山东沙土食品工业有限
周冬雨穿吊带裙意外曝光胸部纹身!
国庆70周年阅兵7大精彩瞬间
斗罗大陆2预约量破200万##电视剧斗罗大陆2