低电压低功耗的超声波雾化器驱动电路
自动喷灌控制器五
电动喷雾器调速器 12调节开关调位器农用打药机配件调速开关 调速开关
了一种自动降尘喷雾的水泵控制箱电路,包括三相电机,总开关,熔断器,第
喷油器控制电路图
器,可以根据操作人员所设置的时间间歇工作,自动完成喷雾或喷灌任务
555自动喷雾控制器电路
自动喷雾控制器电路图
另一种简易电子调压器另一种简易电子调压器|2011-08-16简易的电热褥
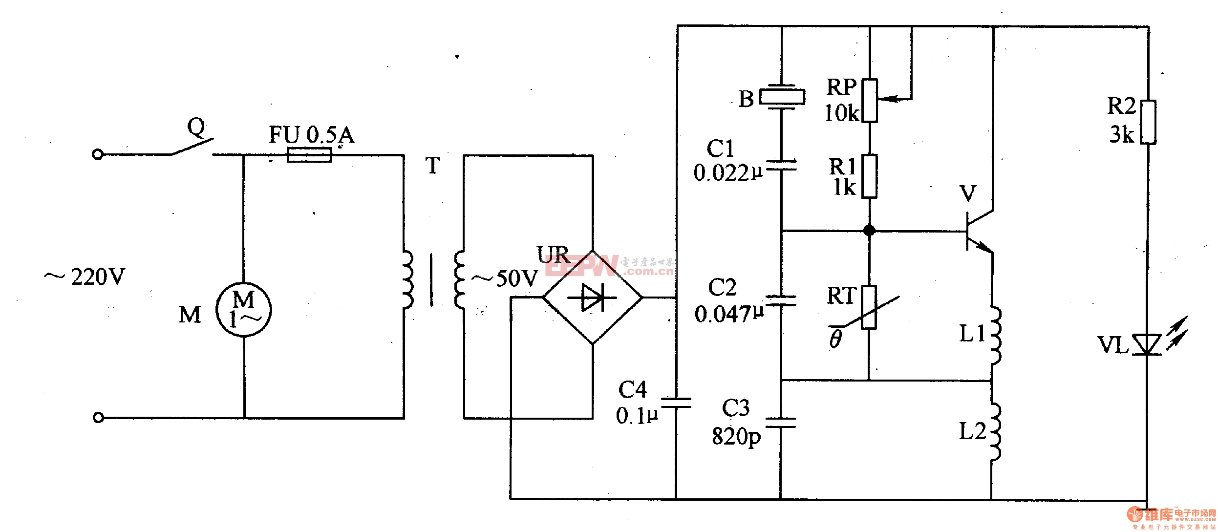
自动喷雾器电路
雾化器电路原理图
电动喷雾器的无级调速电路
女孩对比这个
白衣祸世古风头像
c罗年轻时候有多帅?颜值巅峰期宛如校园初恋,五官精致眉清目秀
2022年冬奥会手抄报
奥运会五环图案的五种颜色分别代表什么
简笔画 #想画就画 #儿童简笔画 简单几笔 画美人鱼.
脸部按摩
为何中老年人容易出现膝盖疼痛?是该静养,还是继续运动?
浪花蝴蝶png图片花儿卡通海浪浪花船浪花水滴图标彩色卡通花儿浪花
抠糖过时了,现在流行凭空造糖|文咏珊|徐璐_新浪新闻
秦时明月&天行九歌高清壁纸(1920*1080) 每日五张,拒绝早恋
木字旁一个石字读什么(一个木一个石念什么是多音字吗)