电动机正转点动加连续 反转连续机械互锁电路图
互锁电路原理图,电路基础知识,电工必备基础电路
两个电动机互锁的电路图.要求电动机m1启动时m2停止,m2启动时m1停止.
什么是互锁电路?
求继电器互锁电路图
互锁原理图
展开全部 如图就这样,两个接触器做好互锁就好.
两个继电器互锁电路图
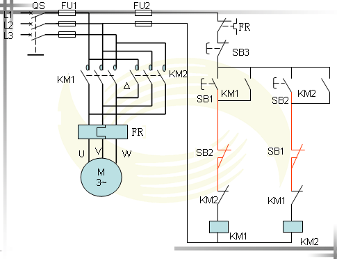
三相异步电动机的双重互锁控制电路接线图
三个接触器只能两个同时工作怎么互锁
三项电源接触器互锁电路
电气互锁控制电路图
何超琼澳门的未来在年轻人我们只是打基础的
陈伟霆在香港路边摊吃咖喱鱼蛋,银发寸头造型走路带风,又野又帅!
哈咪猫各种坚持可爱创意图片
海霞老公罗永章个人资料简历介绍
ins背景图治愈系(超治愈ins风壁纸)
白人爵士歌王:弗兰克·辛纳屈
《小羊肖恩》
大臂鲤鱼纹身皮秒洗纹身案例
黑夜一束光黑夜的一束光我也触摸到了光芒宋小睿黑夜一束光歌曲音
黄明昊#这套幼儿园穿搭好可爱鸭奥特曼!biubiubiubiubiu
原创原创快乐大本营不仅仅只是局限于做一档娱乐节目
一年后再看郑爽,她很可恨,也很可悲|张翰|张恒|娱乐圈|当红花旦_网易