互锁电路原理图,电路基础知识,电工必备基础电路
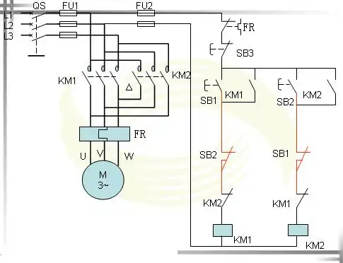
三相电动机按钮,接触器双重互锁的正反转控制线路 如下右图所示为
两个电动机互锁的电路图.要求电动机m1启动时m2停止,m2启动时m1停止.
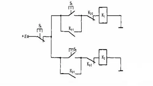
两个继电器互锁电路图
三相异步电动机的双重互锁控制电路接线图
三个接触器只能两个同时工作怎么互锁
求继电器互锁电路图
按钮互锁 接触器互锁的接法 最好有图 谢谢
电机正反转接触器互锁电路图
电工机 - 热门商品专区
10路按键转互锁输出芯片
三项电源接触器互锁电路
学生妹超仙气的壁纸少女心可爱
秋冬季新气质职业装女套装长袖西装女士办公室商务ol正装工作服女
女世子 韩十一 尤靖茹
漂亮的素颜生活照片女生图片头像
原创吴宗宪产品被投诉硬气喊话嫌贵就不要买
这是习近平驱车行进至党旗,国旗,军旗前,向旗帜行注目礼. 新华850_586
成龙真名到底叫什么 成龙抱范冰冰的真相 - 网络编辑之家
王源客厅狂欢巡演精彩瞬间!
向巨蟹座男生表白
苏有朋演唱专辑玩真的广东美卡音像发行
爱一个粉红色的爱心卡
606直通三门衣柜安装详解