typec母座结构图纸
图片链接
缩略图
原图
外链
相关图片
type-c数据线改成otg数据线,注意另一头要把公头换成母头usb
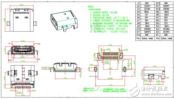
type-c 6pin 母座 单排贴片smt 四脚插件 卧式
typec接线顺序
0type-c接口工作原理
type-c公母头测试板双面正反插排针24p公转母座usb3.
type-c母座6pin连接器插脚贴片usb母头3.1接口卧式type c充电插座
维修手机充电线的迷惑typec插头内部接线到底有多少种方案
1 type c贴片式smt母头 带pcb板连接器
mup品牌- 供应沉板式单smt usb type c母座 16pin连接器 接口
type-c公母头测试板双面插排针#24p公转母座usb3 - 抖音
typec的公母头能否当作电源的接插件用
5/6.5/4.4母平衡耳机转接头dac音频线 type-c转3.5母