type-c公母头测试板双面插排针#24p公转母座usb3 - 抖音
图片链接
缩略图
原图
外链
相关图片
5/6.5/4.4母平衡耳机转接头dac音频线 type-c转3.5母
1 type c贴片式smt母头 带pcb板连接器
专业生产usb连接器typec连接器工厂
typec公头数据线接线图
mup品牌- 供应沉板式单smt usb type c母座 16pin连接器 接口
有没有做这个a公转type c 母的转 - 抖音
type-c公母头测试板双面正反插排针24p公转母座usb3.
亚豪typec母座沉板usb接口耐温typec6p连接器usb母座源头厂家
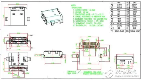
typec母座结构图纸
type-c数据线改成otg数据线,注意另一头要把公头换成母头usb
type-c 6pin 母座 单排贴片smt 四脚插件 卧式
typec母座结构图纸