相关图片
随机推荐
其它 鱿鱼~鱿鱼~ 写美篇来看看鱿鱼的结构吧!
同嫁内地小丈夫洪欣老公跟经纪人玩暧昧她却助老公扬名金像奖
郑爽穿粉色蛋糕裙意外走"红",扎低马尾发型配齐刘海,甜度爆棚
文字励志头像图片大全_微信头像图片大全
鲍国安儿子鲍毅个人简历(鲍国安儿子近照)
苹果嘉儿
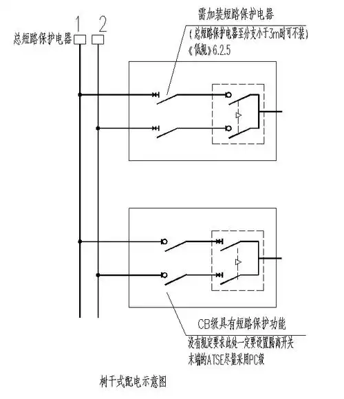
【ibe】关于自动转换开关电器atse的几个知识点_隔离_功能_电源
平口pvc热收缩膜塑封袋收缩膜吸塑膜热收缩袋包装膜封鞋膜一次性
杨紫可爱的语言系统,吐槽肖战冷笑话,散装英语惊呆王俊凯
another milestone in the carreer of the worlds newest oceanliner
第五人格公开红夫人限时稀世时装礼包
雅马哈尚领凌鹰巡鹰丽鹰悦动迅鹰zy125t-3-4-4a-6-8传动皮带原装