加载中...
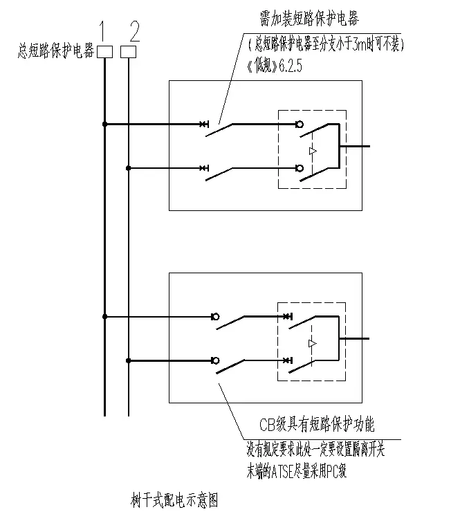
【ibe】关于自动转换开关电器atse的几个知识点_隔离_功能_电源

【ibe】关于自动转换开关电器atse的几个知识点_隔离_功能_电源

图片尺寸 652x756
上传时间 2026-03-18 00:53:02

图片链接

缩略图
原图
外链

相关图片

随机推荐