相关图片
年轻时的黎姿有多美?张柏芝都甘拜下风!
黎姿,1971年10月1日出生于中国香港,gigi lai,祖籍广东省江门市新会区
p>黎姿,1971年10月1日出生于中国香港,祖籍 a target="_blank" href=
黎姿组图
无美颜无整容,个个清水出芙蓉,80年代的天然美人,你都认识吗?
不老美人黎姿一生都为家人着想终得圆满42
黎姿回应复出拍戏:看缘分 将来有好剧本再说
p>黎姿,1971年10月1日出生于中国香港,祖籍 a target="_blank" href=
p>黎姿,1971年10月1日出生于中国香港,祖籍 a target="_blank" href=
黎姿黎姿,1971年2月1日出生于中国香港,祖籍广东,中国香港女演员,流行
p>黎姿,1971年10月1日出生于中国香港,祖籍 a target="_blank" href=
51岁黎姿晒近况,穿及地长裙住半山豪宅显低调,大15岁老公未陪同
随机推荐
《她说》是新加坡歌手 a target="_blank" href="/item/林俊杰/131821
画渣本渣 #铅笔画 #高达巴巴托斯 - 抖音
颊尖略偏向远中[仙女r][仙女r]相对来说,远中轴面角比较锐利,近中轴面
水木年华:音乐与青春的完美交织
美容丨43岁三胎辣妈贾静雯身材苗条,你想知道的都在这里!
33岁大龄剩女的心酸:"我也想结婚生子,可没好男人愿意娶我"
周深《和光同尘》简谱90
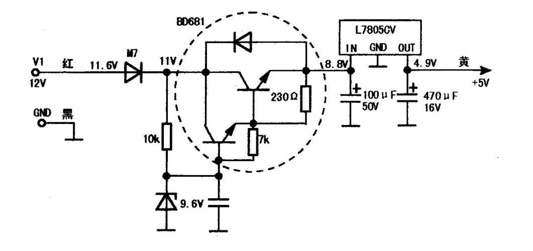
车用12v转5v接口电路实绘图
母亲是金马影后,18岁任董事,今身价90亿,女友是门当户对的名媛_汤珈铖
早上睡醒过后头发都是乱糟糟
白色简单 手绘 猫咪 高清壁纸 iphone壁纸 /欣勾勾
2025届艺术生各专业可以报考的985,211,双一流院校名单