求一个简易5v转12v升压电路
怎么样自制5v 升压板,要图,要电子元件名称
5v转12v升压模块diy应用
自制12v转5v手机充电器(三款12v转5v充电电路原理图详解)
求12v转5v的简单电路
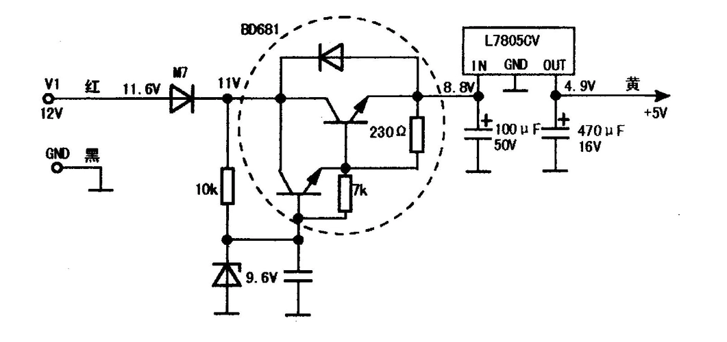
12v转成5v的电路图 用于51单片机电路的 帮忙设计个
5v升12v的电路图icmc34063
xl6009设计的大电流5v转12v升压电路
5v升压12v电路图大全十款5v升压12v电路原理图详解
5v转12v升压电路
用原子哥的12v转5v电路原理图做出来的电路不能正常工作
用7085设计个直流变压电路图,要求实现12v转5v.
歌唱家王昆:与丈夫同年去世,儿子是唯一心病,临终前解开心结
老戏骨李幼斌近照曝光,曾送妻子300万豪车,今却现身路边吃小炒
我就是演员王自健作品盘点
林峯老婆晒聚会照,小腹凸起被猜怀二胎,张馨月连发两条动态否认_网友
ppt背景图片包括了:蓝天白云草地,卡通城堡,可爱小朋友,阳光彩虹
北京时间11月13日中午,演员秦海璐最新消息!
适合红色经典类型朗诵背景素材,免费共享.
谢霆锋点赞达人秀##点赞达人秀
余玥靓丽迷人有态度的时尚
傲雪红梅
南非:蜜獾
明岸(广州):党群活动室