加载中...
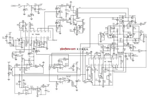
自动稳压的逆变器电路图

自动稳压的逆变器电路图

图片尺寸 448x323
上传时间 2026-03-18 00:50:33

图片链接

缩略图
原图
外链

相关图片

随机推荐