电瓶叉车电路图
电动叉车电控系统,在现有叉车电控系统的基础上,在不破坏整车外电路和
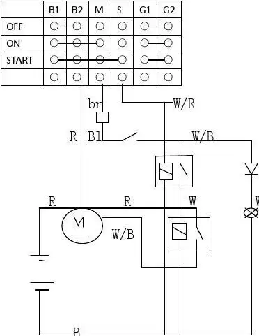
叉车控制电路图
一种多功能交流电动叉车液压控制系统的制作方法
合力柴油叉车电路图
电动叉车电路图
电动叉车控制系统详解带电路图docx
内燃平衡重叉车横向稳定性控制系统设计 (1)车速信号调理电路
一种非接触式电动叉车起重操纵装置
供应合力h系列液化石油气叉车,合力h系列环保叉车,合肥宝发动力
380v合力叉车充电器输入电压接线图
无忧文档 所有分类 工程科技 电子/电路 叉车电气原理图 (共1页,当前
【图片2】架子鼓表演--蜂鸟论坛照片套图
希腊王国
200个韩国可爱ppt模板大全合集
苏有朋
2021牛年最新版早上漂亮表情问候祝福图片,早上好微信温馨祝福图片
个性婚纱头像女婚纱是浪漫纯洁的
回车桌面>电脑壁纸>明星>大陆明星>毛晓彤复古卷短发造型>相关标签
甲龙
金色稻谷收割图
复古牛皮纸免抠素材_图品汇
问(高考声乐谱 伴奏谱)原版 正谱 五线谱 钢琴弹唱谱 伴奏弹唱版 乐谱
"女神"上线||给大家介绍下,zuzu彩妆系列形象代言人张馨予!