神仙级拉皮医生柳民熙和穆宝安谁做的好这技术手法绝了
楼地面构造
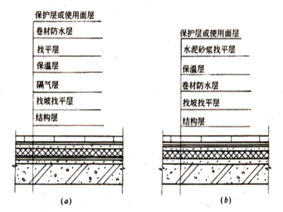
倒置式屋面构造层次示意图
地理层面分布图
投影图 四,正投影的基本性质 五,剖面图与断面图 第二部分 建筑构造
地坪层的基本组成
采煤概论课件ppt
无忧文档 所有分类 高等教育 工学 第三章 楼板层ppt 建筑构造课件 四
每日真题哈工大建筑构造真题解析系列12
建筑工程识图(基础知识)
建筑构造——楼面的构造自用
2 平屋顶构造 6.2.
曝梁博女友白富美 盘点好声音女友
熊石头字体签名设计
周迅王子文同框身高相似如影随形网友惊叹两女只有158
原创男星剃光头后蔡徐坤变高冷李现痞帅痞帅看到肖战最想嫁
十二星座q版萌宠简笔画
张艺兴小时候欢欢哪些可爱图片可以做头像?
【mmd】巴迪老师的ppap第1集-动漫-全集视频在线观看-爱奇艺-aiqiyi
mc908qy4cpe电路图
青春无悔毕业季海报设计psd源文件_大图网图片素材
赢得骑马图标轮廓风格
昭通东禾网红刘海是你想要的网红法式刘海
刘德华 #男神 抽烟帅的掉渣,帅的一塌糊涂!