相关图片
一种变压器输出直流脉冲的点焊机脉冲输出控制电路的制作方法
电焊机电路
关于电焊机电路图分析,这四个可控硅有什么用?
逆变焊机完整电路图 图片合集逆变焊机电路图wsm-200逆变氩弧焊机电路
bx5-63b薄板电弧焊机使用说明书 一,用途: bx5-63b薄板电弧焊机,适用
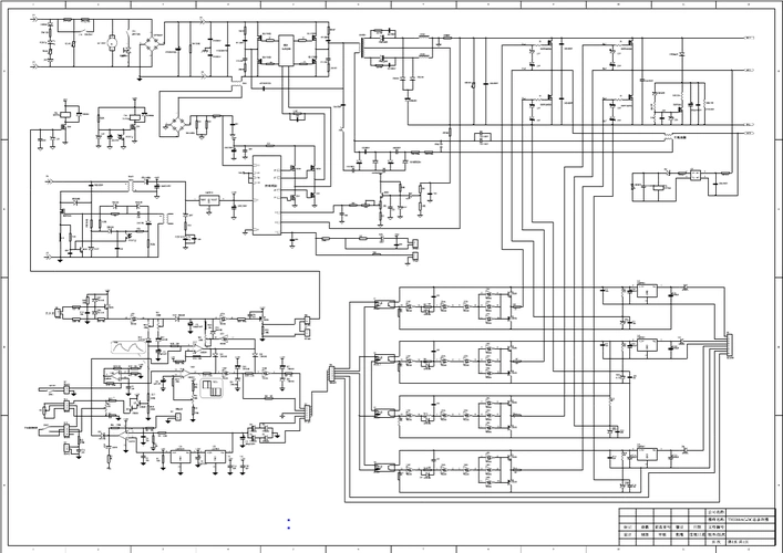
大功率igbt高频逆变电焊机电路图
该线路可在电焊机不工作时使交流电源切断,由此可以消除空载损耗,达到
ws-160直流氩弧焊机的电路图
zx7-200逆变直流焊机控制芯片uc3846内部功能及引脚介绍
电瓶电焊机电路图,逆变式电焊机电路图,zx7-315逆变式电焊机电路图_点
自制250逆变焊机电路图第1页
无忧文档 所有分类 工程科技 电力/水利 佳士tig200交直流氩弧焊机