国标二级配电箱
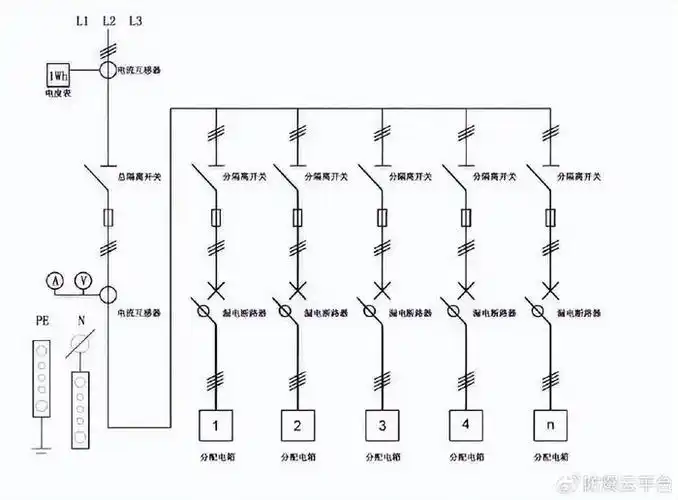
二级配电系统图
二级临时配电箱
建筑工地临时红色二级配电箱标准总250a分100a动力室外支架箱
两路定制标准建筑建筑工工地临时二级配电箱电表强电布线箱
现货供应工地标准二级配电箱400a带2路250a2路100a二级箱
人民电器成套建筑工地临时二级配电箱标准总250a分100a动力室外支架
工程定制工地临时二级配电箱电表工业插座防雨强电布线箱
定制工地标准东莞二级配电箱深圳二级配电箱广州二级电箱厂家
三级配电二级漏保,一机一闸一漏一箱!|开关箱|配电箱|断路器_新浪新闻
二级配电箱设置图
标准建筑工地二级配电箱三相四线总250a三动力室外防雨临时用电箱
海军12名蛟龙突击队特战兵为完成任务推迟退伍
郎酒45度经典小郎酒100ml单瓶装 浓头酱位,浓酱兼香
少女可爱梦幻仙气头像
【组图】山海经异兽排名,吃人异兽中毕方排名第十
励志正能量头像
双臂肘部皮肤出现了图中这种现象,已有2,3年,不疼不痒,这是怎么病?
签证visa四年前就说好和闺蜜在四年后这个时间去日本,终于在这个夏天
4月21日早安心语正能量唯美语句经典早安图片带字正能量
《凤在江湖》-云潇潇~赵鸿飞
2023张信哲郑州演唱会(9月2日)哪里订票?
老凤祥黄金项链图
幽默搞笑表情包别说了小肥猪