加载中...
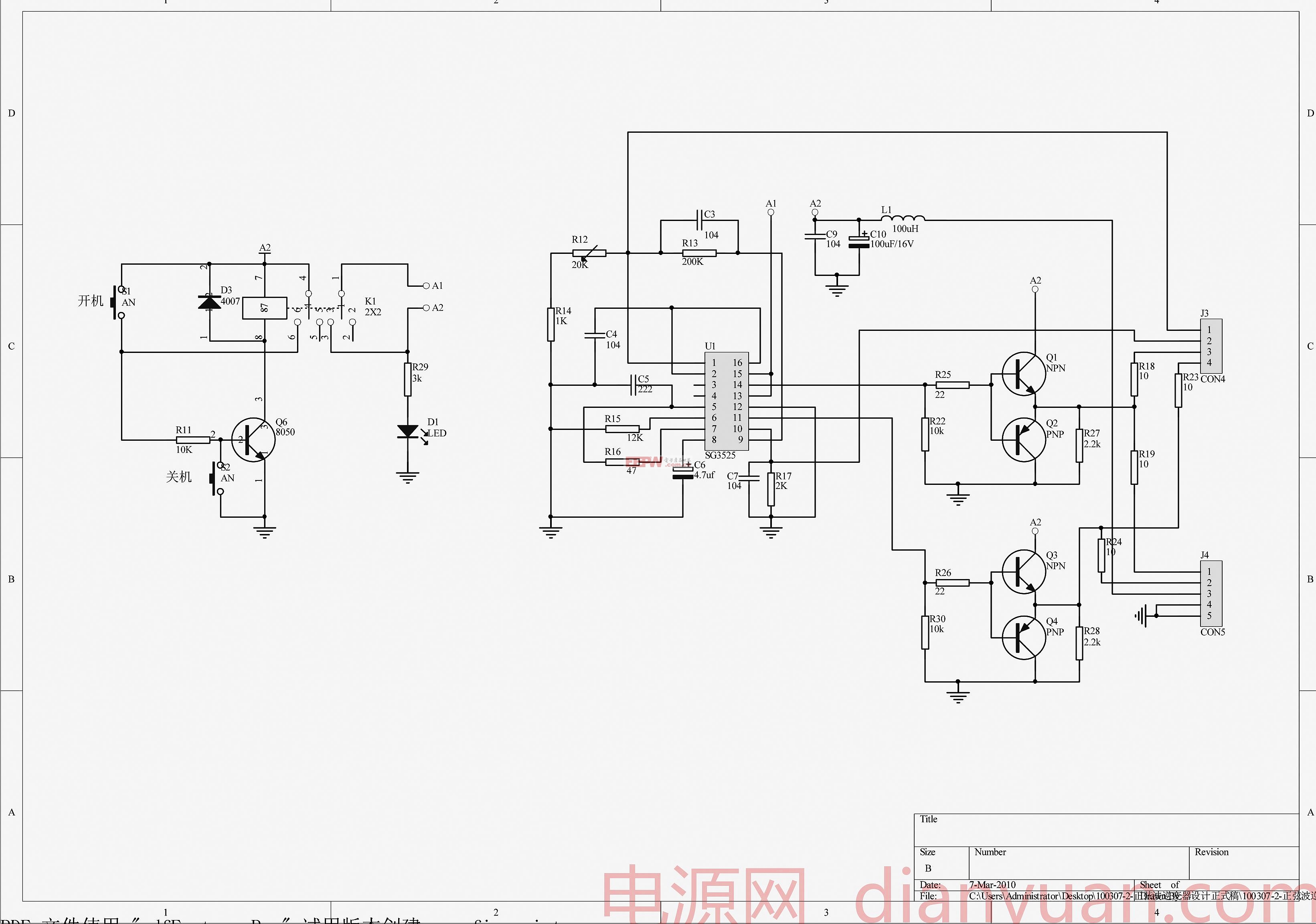
1000w正弦波逆变器直流12v转交流220v电路图

1000w正弦波逆变器直流12v转交流220v电路图

图片尺寸 3282x2304
上传时间 2026-03-24 05:59:28

图片链接

缩略图
原图
外链

相关图片

随机推荐