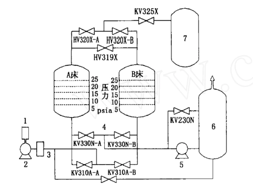
工业制氧机的工艺流程
氧气充装工艺流程图及主要质量控制点
vpsa制氧机
制氧生产线工艺流程简图
制氧机工艺流程
制氧工艺流程图
psa制氧机工艺流程简图
lcn-进口工业制氧机
制氧机工艺流程图
图解工业制氧生产工艺
高原制氧机
黄家驹头像图片大全帅气好看经典的黄家驹高清头像图片
暖暖是什么意思和拼音怎么读
皖南黟县古村落·宏村.#图文来了 烟雨残荷,青砖黛瓦马头墙 - 抖音
手绘女生超唯美头像个性女生图片大全
张一铎
回顾梁洁华患癌去世后丈夫黄日华宣布终身不娶他做到了吗
青春有你2收官刘雨昕虞书欣等9人成团出道回顾成员们高能瞬间
车型品牌标志大全
炭笔素描写生速写树创意美术绘画画画原创
机圆刀片圆形刀片厂上海圆刀片切管切纸切布圆刀片批发-机用刀片|刀具
蓝灰音乐喇叭主题图标6png素材透明免抠图片-图标元素
闪耀暖暖五周年