冻干机制冷系统原理图及冻干机结构
uv干燥机电气原理图
冷水机组在电力电子水冷却系统中的应用
原糖滚筒干燥机变频控制电路
冷干机原理图
山立冷干机使用说明书(中英文)
制冷系统原理图
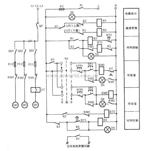
苏州冷干机
冷干机调试说明20101222版
烘干机电路原理图
简述冷干机工作原理流程及流程图赏析
空压机冷干机工作原理
朱亚文芭莎破壁大片释出打破局限与灵魂深入对话
插翅难逃张世豪头像_微信头像图片大全
小舞怀孕记三
跳舞衣服女阔腿裤套装长袖新款民族风秧歌舞蹈演出秋款广场舞服装
仙界山圆满结束
收集了一组减肥文字壁纸要越来越瘦越来越美鸭
妈妈女性家庭主妇卡通人物
《青春斗》丁兰不仅心高气傲还自不量力,被她妈妈管束也是活该
纽曼/newsmy 蓝牙耳机真无线入耳式tws-r1
颜值最高的韩国男团是哪个
第二套人民币工农头像版10元币样
十二星座对应的卡通人物(十二星座,卡通人物)-星座-孩子取名网