相关图片
在星三角降压启动的控制电路中,为什么我做出反了?具体看下面的描述.
电气控制系统的电路图及绘制原则
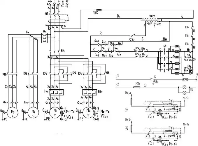
34个动控制原理图,老电工看了都说好 - 知乎
免费文档 所有分类 工程科技 电子/电路 电力拖动控制线路图及原理
理解原理,快速学会接线的法宝 电动机点动与连续运行控制电路原理图 2
多吊点吊篮控制电路
电动机自耦降压启动自动控制电路组图
文档下载 所有分类 工程科技 电子/电路 > 星三角启动控制原理图第1页
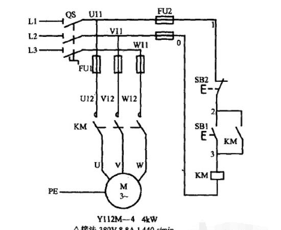
掌握这4种基本控制电路,初学电工看电路也不再难 - 电工基础_电工电气
无刷电机控制器原理图,无刷电机控制电路-图片大观-奇异网
采用cd2-g型的灭磁开关控制电路图
电路中经常使用的四种控制电路,掌握其控制方法及原理,是电工必备知识