供应山东锅炉,泰安锅炉 燃煤锅炉 立式燃煤锅炉 浴池锅炉
家庭燃煤取暖锅炉工作示意图
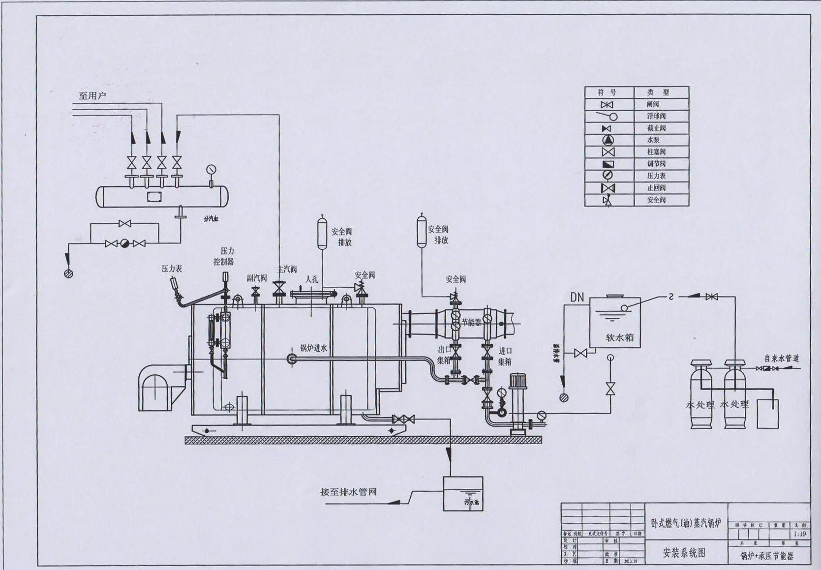
锅炉安装图纸
锅炉培训教材 电厂煤粉炉示意图
匠奥开水锅炉安装示意图
炉鼎什么意思 闭炉什么意思?如何解释?
常压立式锅炉供暖图
常压热水锅炉安装图
常压立式燃煤锅炉供暖怎么安装图
锅炉系统及布置ppt
锅炉问答
内蒙古锅炉厂直供全自动高效节能7万大卡搪瓷内胆燃气茶水
梁朝伟#
贾斯汀·比伯《stay》吉他谱1
食虫植物叉叶茅膏菜 - 抖音
您家的老马桶是不是该换个了?
房山世界地质公园博物馆外观图-房山世界地质公园博物馆第3张图片
邓光荣与向华强谁厉害,向华强什么实力
2017-03-15 07:33:00 来源:国际在线娱乐 编辑:晓凡
170的女孩子也可以很娇小 第一次见他的时候 觉得就挺高一男生 后来
母亲节主题 可爱韩国插画壁纸 幸福家庭图片 可.
花纹背景图案设计图__条纹线条_底纹边框_设计图库_昵图网nipic.com
当鲜花邂逅美酒可不仅于如此,鲜花与红酒相结合成了一种品味与艺 - 抖
严浩翔三宫格壁纸