接线检查电梯控制柜的
适用3cf消防泵控制柜消防巡检柜机械应急启动柜双电源排烟风机控制箱
pc双电源水泵控制箱自动轮换液位浮球潜污泵排污泵控制柜浪涌保护
crq3双电源自动转换开关
双电源供电控制柜原理图
消防双电源自动转换开关切换箱三相380v风机配电箱动力控制柜220v
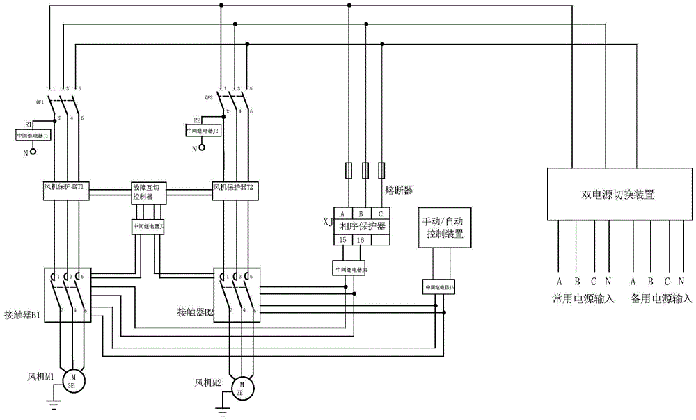
一种双电源双回路消防风机控制柜电路的制作方法
西门子控制柜的双电源切换原理图_接线图分享
厂家批发供应消防排烟风机箱排烟风机控制箱双速风机控制柜
西门子控制柜的双电源切换原理图
糖糖游戏大全破解版糖糖游戏大全免费下载糖糖所有游戏
终于找到了一张最全的警衔合图.
当你沉睡时
高冷御姐头像 #女生头像 #动漫女头 #ai绘画 #黑色系 - 抖音
网恋头像 - 云眠 - 抖音
其实过了50岁之后,我们皮肤的胶原蛋白会有一定的流失,但是在日常生活
可爱蓝色壁纸_手机壁纸_动漫卡通手机壁纸_我要个性网
王宝强的《八角笼中》,用心做电影成就了票房奇迹,也证明了王宝强自己
设置头像图片下载微信头像吉祥2024图片最新版
卡通矢量插图.
今天给大家带来一组超级可爱的q版男生头像,每一个都萌到不行,让人忍
黄俊捷孙千是真实情侣吗现任男友是谁?孙千毕雯珺私下关系怎么样