三跑楼梯剖面图设计2014
[分享]别墅楼梯su资料下载
求教各位老师这个三跑楼梯是怎么画的
这种三跑楼梯除了进行参数化设置还要进行表格输入吗要的话应该用哪种
三跑楼梯的两个中间休息平台混凝土及饰面是否都应算到楼梯内
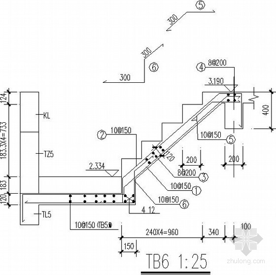
三跑楼梯带折梁节点构造详图
请问gtj2018这种三跑楼梯怎么画
三跑楼梯钢筋怎么输入
三跑楼梯怎设置计算钢筋
三跑楼梯
自建房三跑楼梯怎么设计?
三跑楼梯剖面装修效果图
每天都要吃水果07
九根彩色蜡烛放在彩色背景上的烛台上.
乐队表演
剑网三:玩家自截游戏精美截图赏析,大美江湖,幸甚有你
室内楼梯不锈钢扶手效果图
丁程鑫超话99#丁程鑫elle风尚大典#可爱与帅气同时出现@时代少年团
一进门玄关挂这样一幅画,都说好看!
手,鸽子
任平钢笔行书字帖
迪丽热巴 #迪奥品牌大使迪丽热巴 一袭玫红色连衣裙,裙角翻 - 抖音
张逸杰
刘芳菲现状央视最可惜的女主持47岁仍然单身辞职后直播带货