一种减小相电流纹波的步进电机驱动电路制造技术
【无刷直流电机驱动主电路】
电梯永磁同步电机驱动控制系统
两相四线混合式步进电机用双h桥驱动电路
直流电机驱动模块电路图.png
cn111817640a_一种三相三线制开关磁阻电机驱动系统,控制方法及应用
【驱动电路原理图】
电容在电路中起什么作用?_大全-幸福起航
一种具有空档功能的新型童车电机驱动电路
简单实用的电机驱动电路
三相无刷电机驱动电路及其控制方法
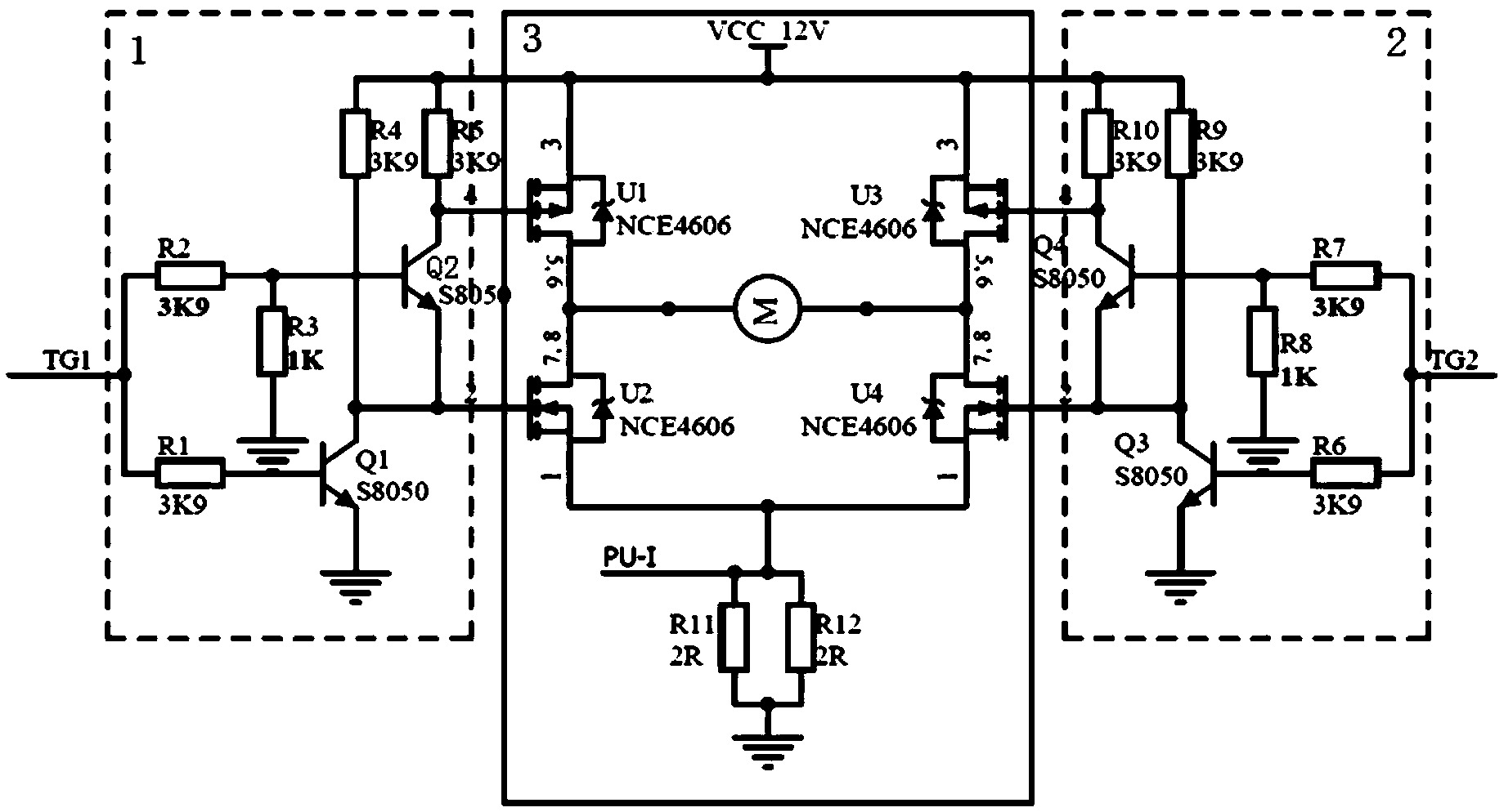
电机驱动电路
白富美头像真人版自拍
现在布达拉宫的布局图
常说的增加核心力量,你练对了吗?
来试试这些超酷的小丑头像吧!
大笑女孩的动漫人物头像
试听180秒【48】恐龙| 看那里大爪子恐龙
昕微 韩版精美印花连衣裙两件套套装
爱情公寓第11集中,劳拉穿的那件花花的长袖t恤衣服是什么牌子的,哪里
热销童上衣外套卡通童装批发叮当猫卫衣童外套c8102彩蓝
52岁李颖越看越有魅力穿呢绒风衣搭吊带衫贵妇衣品真绝
企业宣传 logo展示-新突破(华为)
千足龙品牌2022秋装新款15624户外拉链休闲装