"虎牙这么丑,为什么医生不让我拔掉?"_牙齿
有虎牙的女生就不好看吗?就一定要纠正吗?
美女这虎牙太有特点了估计比老虎的牙齿还锋利
上海美奥口腔 口腔正畸 牙齿不齐 > 上海牙科儿童虎牙可以矫正吗?
正畸牙医揭秘:人为什么会长虎牙?_牙齿
虎牙是什么虎牙是病吗
外贸 万圣节吸血鬼假牙僵尸牙齿小虎牙影视cos化妆舞会道具批发
虎牙很可爱?不,他没有你想象中的善良
【图】小虎牙和牙齿不齐
时露出虎牙,而画面却有点夸张,引来网友热议|獠牙|美女|牙齿_网易订阅
有虎牙的女明星,牙齿长得像茅坑的女明星(娱乐圈有"漂亮虎牙"的明星)
都说露八颗牙好看,可是如果有虎牙怎么笑?
与马嘉祺共赴微博之夜
怎样才能把铅球推远
女孩阳光下唯美意境头像
现在体脂率是多少?
简笔画头像可爱小学女生卡通画活泼开朗的小女孩怎么画笑容的女生简笔
国家机密
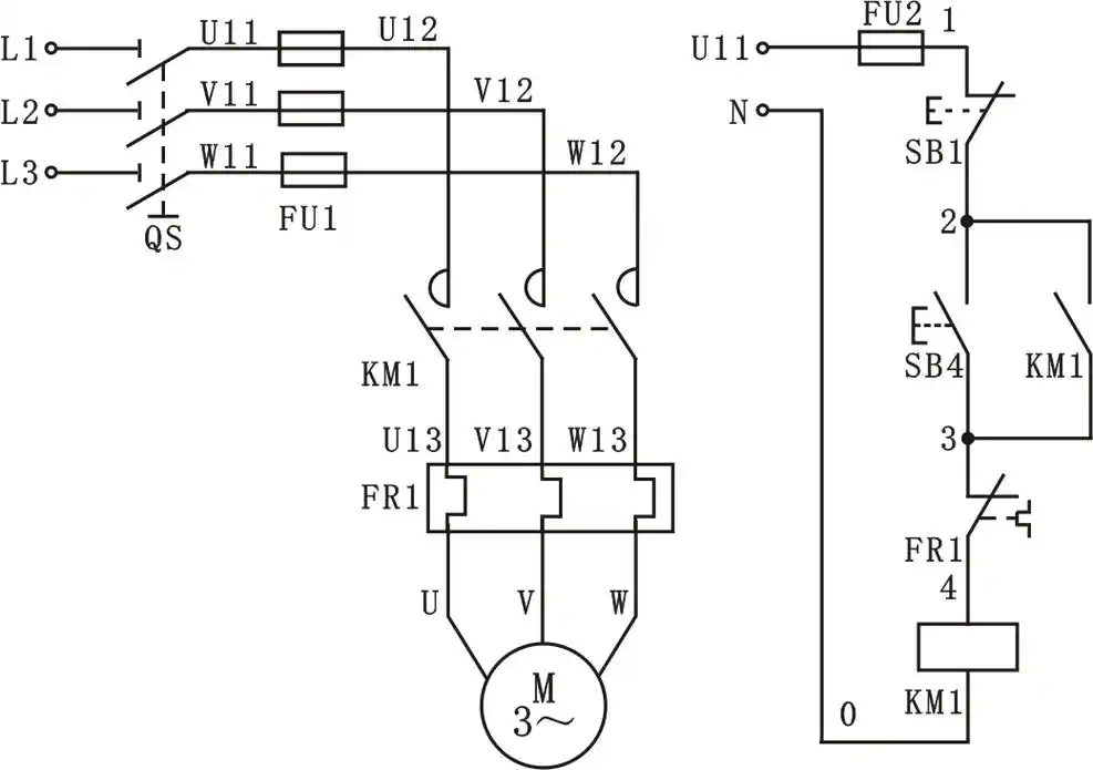
实训三 三相异步电动机自锁控制电路
紫色系女生头像90 #女生头像# #紫色系头像# #头像分享
孤梦- 简谱-小鹿吉他谱
日本德岛亮相靛蓝灯光瀑布
6岁女孩心源性休克 市妇儿中心医院实施首例儿童ecmo救治成功|心肌炎|
儿童画女孩