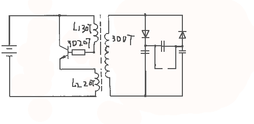
直流升压电路图全集讲解电感式的直流升压电路详解
图片链接
缩略图
原图
外链
相关图片
随机推荐
范玮琪头像高清图片大全_名人范玮琪真实头像大图下载
赛博朋克头像系列 赛博朋克头像系列
连林俊杰都不要的金莎,才不傻!她只是装傻_恋情_绯闻_感情
原创和张嘉倪爆红的方中信娶最丑港姐冠军婚后恩爱12年0绯闻
《极限6》极限团晒童年照,岳云鹏变化不明显,邓伦小时候超可爱
打歌服女团啦啦队服装女大学生韩国韩舞演出服拉拉操舞蹈服套装女
2022款宝马8系四门轿跑车840ixdrivem运动套装
乔任梁有抑郁症吗?
网红头像女动漫伤感,头像女生霸气冷酷伤感-图片大观-奇异网
海贼王# 艾斯帅爆了! 路飞是要成为海贼王的男人,对吧
45岁胡静身材曝光,令人惊艳!女人味十足
温暖人心的唯美句子docx10页