相关图片
电压表v测谁的电压?为什么?
如图6-13所示的4幅电路图中,根据电压表表示数,能测得l1两端的电压的
r1,r2串联,一个电压表测r1两端的电压,另一个电压表测r1,r2两端的总
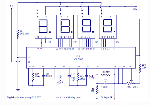
数字电压表的显示驱动电路
数字电压表的显示驱动电路
当开关闭合后,电压表v1 v2 v3的示数分别是24v,26和36v,则电路中的灯
1,如图所示的电路中,电压表v1的示数为9伏,电压表v2ppt
判断如下电路图中电压表的测量对象
中考试题调研600例——题型40电压表的使用答案
画图说明两灯泡串联的电路用电压表检查故障
简单的单管直流电压表电路
用电压表分别测电路中电压其指针指示分别如图所示则灯l1两端电压灯l2