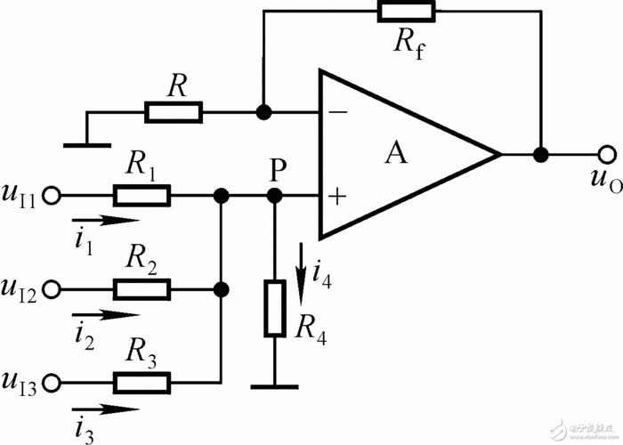
运算电路的基本定义和运算电路经典基本电路图
张电工最常见电路原理图.doc
给实物图画电路图!急
五路闪烁灯串电路(4)
双庆中学电路图复习专题答案ppt
电工必须掌握电路 星形-三角形启动电路原理图解
5v1a开关电源的电路图
无忧文档 所有分类 工程科技 电子/电路 等效电阻的几种计算方法 4 图
电工实训项目教程09-2三相异步电动机的正反转控制线路ppt
中国工控 |电工实操考核中,最经典的7张电路图(高清收藏版)
画出电路图
电路图看不懂?
qq头像男生伤感侧颜 男生头像伤感落寞
80000吉他谱_巴音汗_c调弹唱吉他谱51%原版 - 吉他世界
平行双分楼梯图片
初中教育 理化生 初三理化生 双庆中学电路图复习专题答案ppt 第10页
回顾王治郅与司令女儿分手后娶小14岁美女主播儿子身高惊人
为2008年北京奥运会的主体育场,占地20
67男士发型分享超微分三七69
成龙醉拳
原创海哈金独自庆生引发争议探李亚鹏情史她是否称职
> || 更新时间:2018-01-19 颜色分 黑色 关键词: 唯美图片 伤感 唯美
卡通小鱼图片-可爱卡通小鱼图片素材模板下载_懒人图库
手工制作小白兔,可爱又好看,做法很简单.