相关图片
随机推荐
【邓鸣贺】"年画娃娃"邓鸣贺8岁离世,全因母亲一句话,被网友称:童子命
黄灿灿周大为《离人心上》剧照图片_电视剧_美桌网
少女前线等身抱枕 ots14等身抱枕闪电姐天意佳人少前2二次元动漫周边
白色九尾狐简笔画可爱
陈晓慈 一对两张双人宠溺情头.我_情侣头像_我要个性网
围观西北地区规模最大的包头小白河温泉水世界项目明年将运营
4位女星真实身高赵丽颖官方身高165cm杨颖168cm你相信吗
男生短发卷毛烫 换上烫卷短发帅翻天_男生烫发 - 美发站
男人肾虚可以吃什么
小丁丁和小豆豆谁更敏感
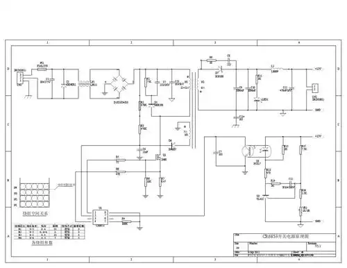
文档下载 所有分类 工程科技 电子/电路 > cr6853开关电源原理图(更正
【m0908】奔跑的人3dmax模型跑步雕塑运动人物3d模型起跑冲刺人物