4强电平面图
地下室电气平面布置图
强电配电平面图
弱电平面图
1~8层电照及插座平面图
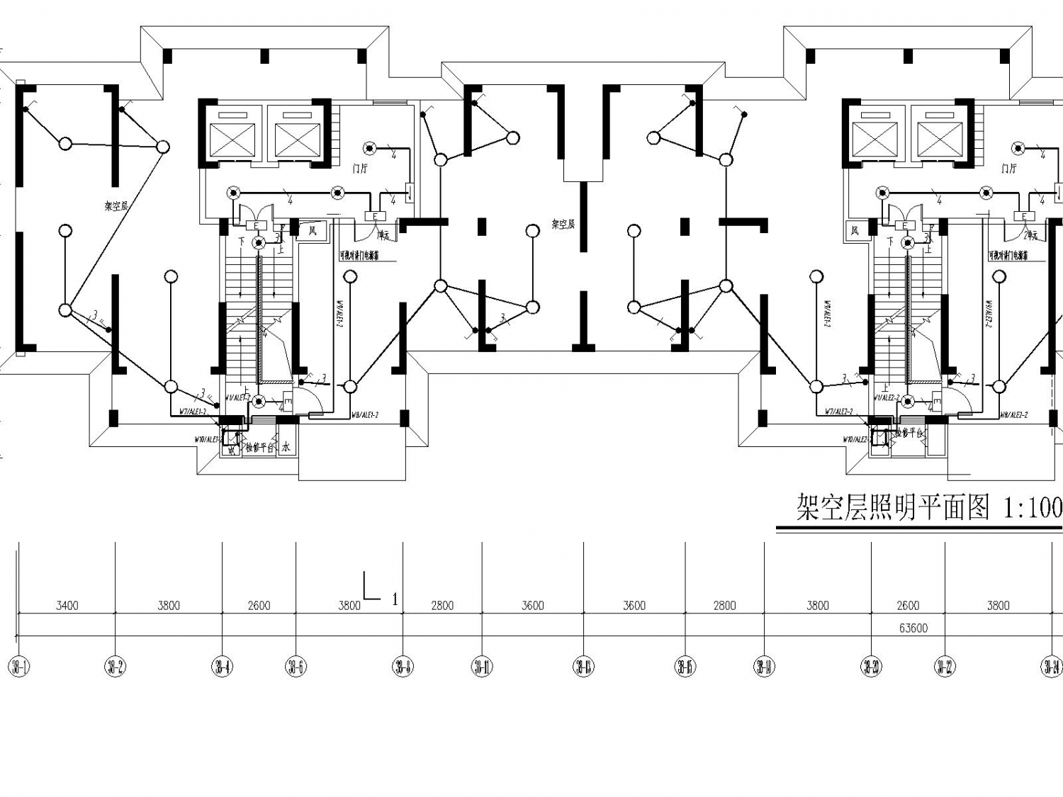
照明电路图
找出你所在的房子(一般来说,施工图的平面布置
某家装电路cad设计施工方案图纸
772办公室电气照明平面图
施工临时用电电路图
电气平面图.jpg
两栋生产厂房强电施工图(2019)
这种蜻蜓身体长度超过两米煽动翅膀好似直升飞机
铅笔画古装人物简单铅笔画漫画人物古装女2022已更新今日热点
唐三成神秀百万年魂环,神似蓝金色呼啦圈,海神神技让唐三吃惊
饭店老板有一只奶凶小可爱
孙悟空卡卡罗特.jpg
王艺瑾时尚写真:青春靓丽,性感妩媚__财经头条
醉酒和酗酒的概念.酗酒的父亲.一个疲惫的病人在悲伤中独自喝酒.
生化危机8dlc公开!萝丝的悲惨命运,公爵或将成为反派?
回顾 2009年,"神功大师"王林的沉浮录
原创从12月12日开始运势如虹会鸿运当头美不胜收的三大星座
青春美少女#邢菲# ,甜美可爱的笑容,纤瘦高挑的身材,白皙细嫩的大长腿
q版 初音未来