相关图片
与非门如何构成或门,与门,非门-电子发烧友网
数电第三章重点总结——《门电路》 - 走看看
《计算机组成》学习笔记(3 - 2)门电路的基本原理-看准网
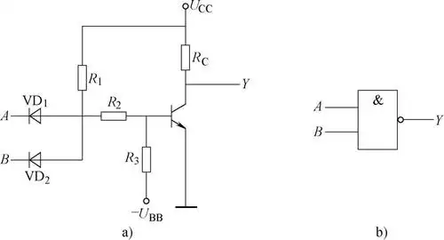
利用与非门组成的一些门电路
与非门 24k纯黄金999足金空心老型桶珠顶珠腰珠菩提手串佛珠配饰
怎么用与非门实现或运算 同或运算 需要逻辑电路图_百度知道
(数字电路与逻辑设计)使用与非门实现 ,下面的式子_百度知道
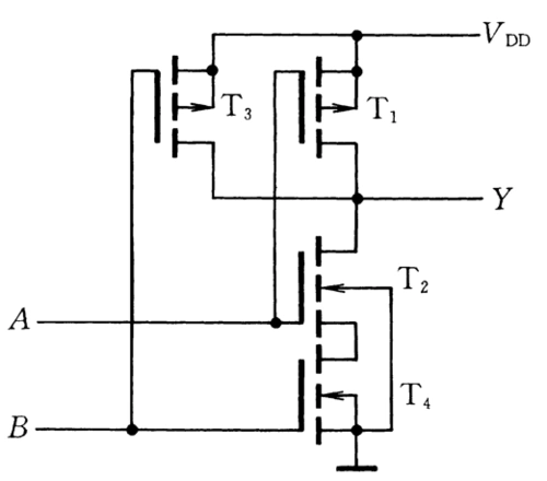
简单的cmos数字集成电路介绍
数字电子技术项目教程 第2版最新章节_牛百齐,毛立云著_得间小说
同或符号和异或符号-同或符号和异或符号,同,或,符号,和,异或,符号 -
门电路逻辑功能及测试【内附实验电路图及测试结果】
什么是cmos?cmos工作原理及其应用特点-ic先生