我想用34063降压从12v-5v,rsec取了0.
图片链接
缩略图
原图
外链
相关图片
34063升压电路接上负载后电压就降下来了,求原因?
车用12v转5v接口电路实绘图
可变输出 dc-dc 转换器的电路图 如下:调整基于 mc34063 的 dc-dc
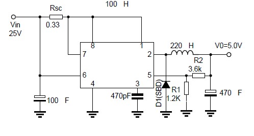
用mc34063制作的降压变换电源电路图
mc34063降压经典电路
求一个34063 7.4v降5v电路图
请问各位,用34063做5v输出稳压,为什么输出不能稳5v,随输入电压变动而
用原子哥的12v转5v电路原理图做出来的电路不能正常工作
求帮忙 34063 5v升压12v电路怎么制作
mc34063构成的降压变换电源电路
关于12v转5v120ma降压稳压电路设计
12v转成5v的电路图 用于51单片机电路的 帮忙设计个